Il sito non supporta il tuo browser. Aggiorna il tuo browser o scaricane un altro
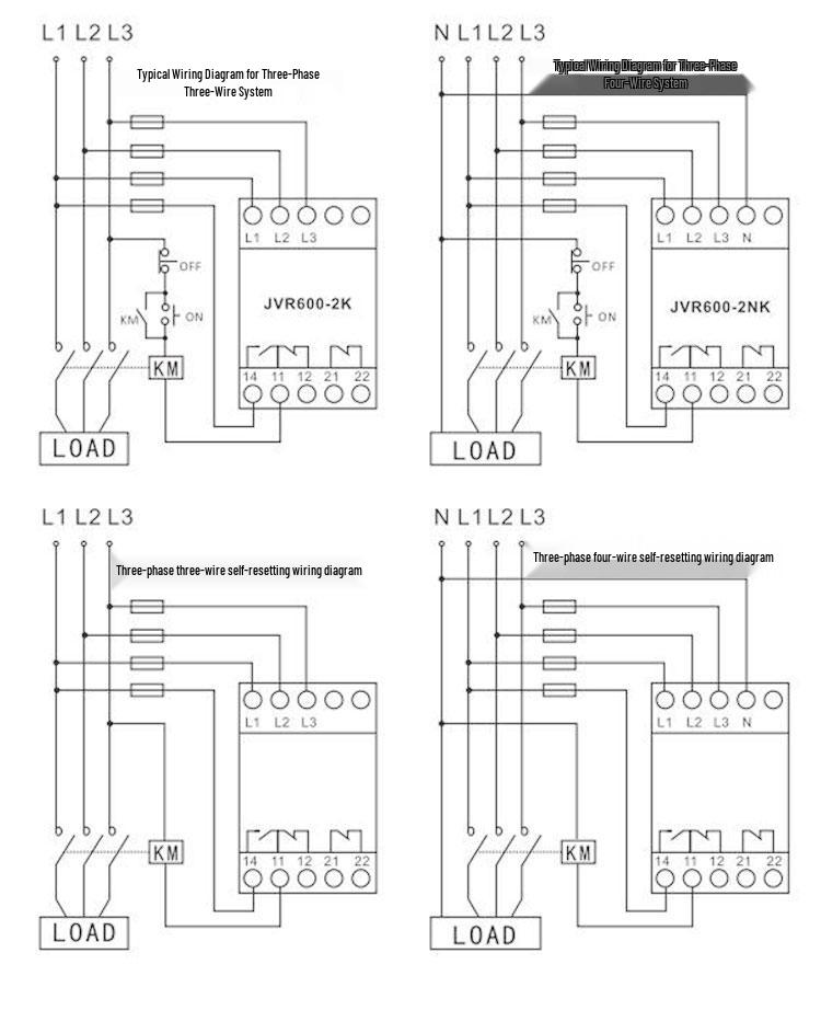
KT Phase Loss Protector: Three-Phase 380V Motor & AC Phase Loss, Undervoltage, Overvoltage, Open Phase, Wrong Phase, and Sequence Protection Relay
Prezzo attuale
A partire da Prezzo 27,59 €IVA inclusa
Taglia
Consegna in 🇫🇷 Francia
7–13 giorni lavorativi — 4 € per ordine
I tuoi pagamenti e la tua privacy sono al sicuro









Sicurezza e conformità
Caratteristiche
Paese di produzione
Cina
Descrizione
Pickerr
4,2/3000+
Articoli simili























